All goods despatched from the UK with fast fully tracked hassle free delivery
Pay only 1 delivery charge per order no matter how many products you order









12v Starter Motor Solenoid Replaces Valeo D6Ra D7R M8 3 Terminal, Fits Delco Remy, Mercedes, Opel, Vauxhall & other GM Starters
SND12507
136255
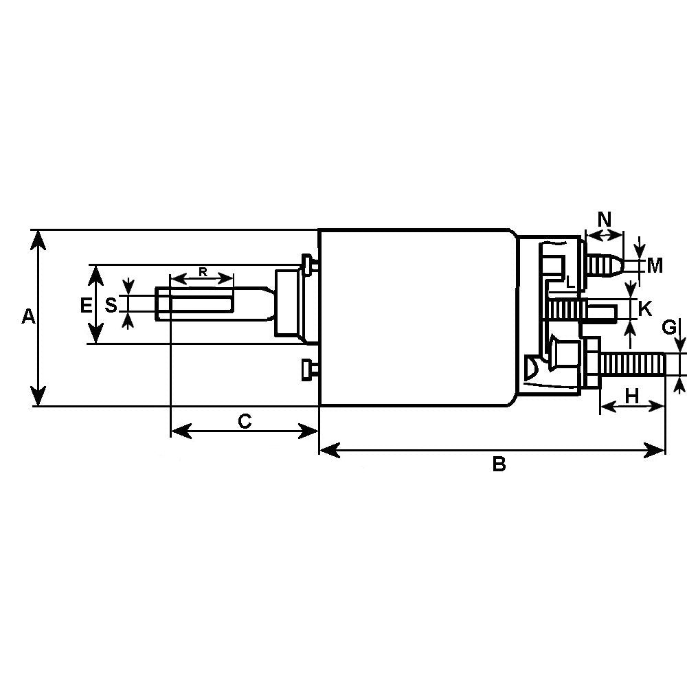
Electrical specifications
- Voltage 12
Physical specifications
- A OD mm 53.90
- B Total length mm 91.60
- Bracket
- M Coil bolt M8
- D OD/cover mm 45.65
- E ID/cover mm 25.15
- G B+ M8
- H Height/B+ 27.25
- K Kl. 50/mm M6
- N Coil bolt l. 11.20
- L Width/kl. 50 13.30
- No./terminals 3
Cross Reference
- VALEO 594271
- VALEO 594280
- VALEO 594607
- VALEO 90421722
- VALEO 90421772
Fits Units
OEM Reference
- VALEO D6RA168
- VALEO D6RA68
- VALEO D7R19
- VALEO D7R28
ANOTHER HIGH QUALITY WOODAUTO PRODUCT
- * All products come with 12 months warranty unless otherwise stated.
- * Please contact us with any issues so we can provide a solution for you.