
Starter Motor Solenoid Peugeot Citroen Mitsubishi Suzuki 12V Wood Auto
SND12901
This is a high-quality 12V starter motor solenoid manufactured by Wood Auto, compatible with Peugeot, Citroen, Mitsubishi, Suzuki, and Kia starter motors. Designed as a durable replacement for Valeo-type starters.
Key Features:
- Compatibility: Peugeot, Citroen, Mitsubishi, Suzuki, Kia
- Application: Valeo-type starter motors
- Terminals: 3
- Bracket & Coil Bolt: M8
Technical Specifications:
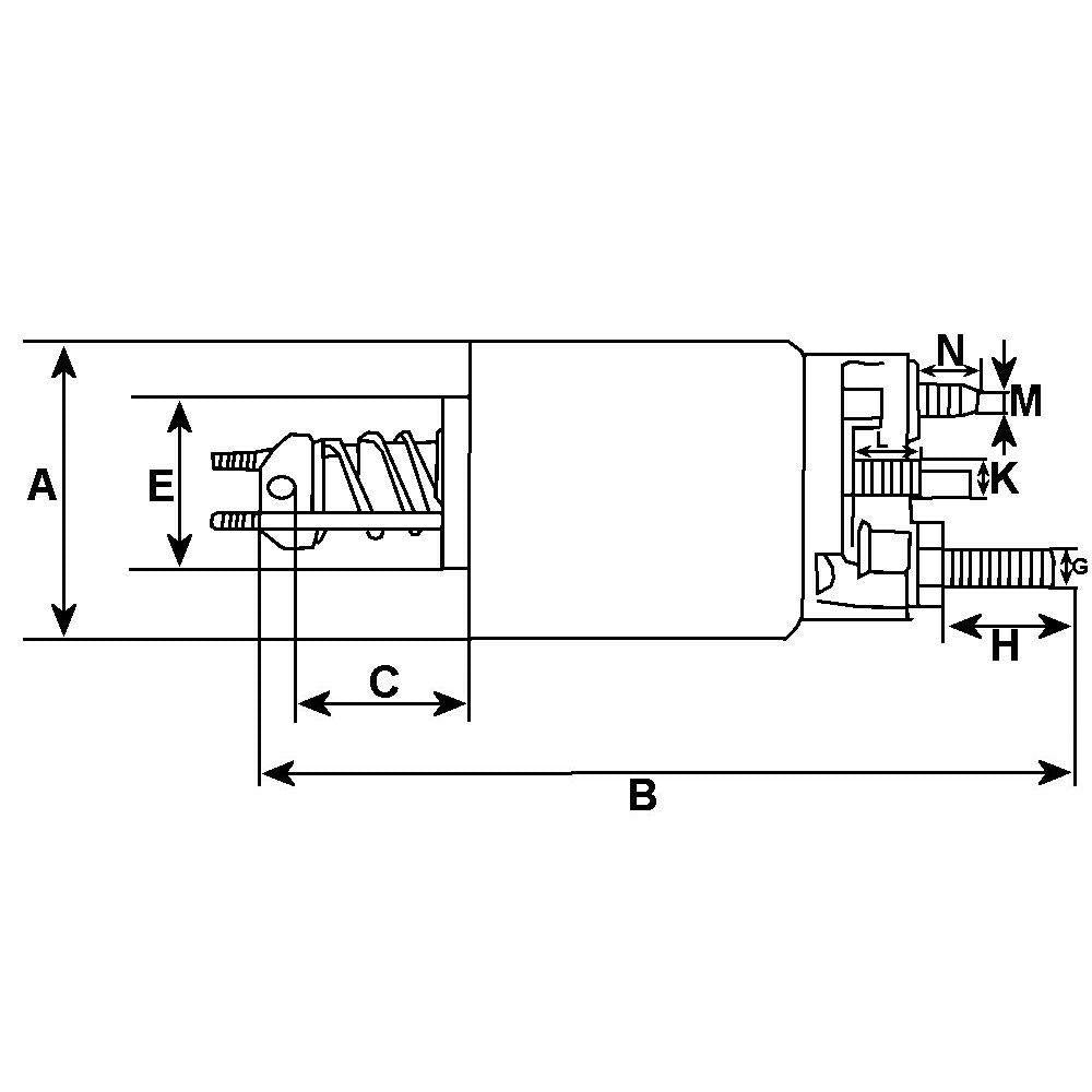
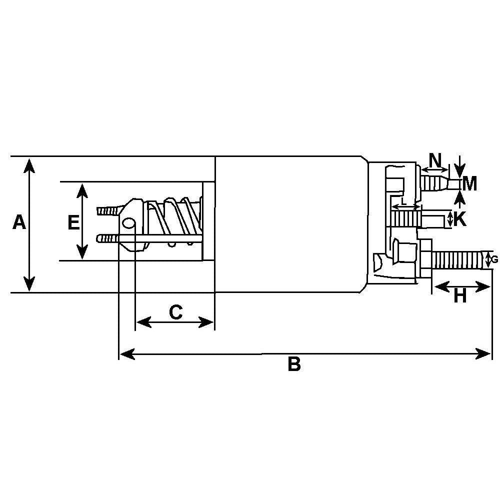
- Voltage: 12V
- A OD: 54.15 mm
- B Total Length: 80.60 mm
- D OD / Cover: 46.15 mm
- E ID / Cover: 25.30 mm
- G B+: M8
- H Height / B+: 16.00 mm
- K Kl. 50 / mm: 6.30
- N Coil Bolt Length: 11.00 mm
- L Width / Kl. 50: 12.60 mm
Cross Reference / OEM Reference:
- Valeo 594045
- Valeo 594113
- Valeo 594145
- Valeo 594178
- Valeo 594267
- Valeo 594268
- Valeo 594269
- Valeo 594273
- Valeo 594275
- Valeo 594319
- Valeo 594322
- Valeo 594325
- Valeo 594370
- Valeo 594604
- Valeo CED552
- Valeo NE777
- PSH 054000161
- Volkswagen AG 068911287J
- HC-Cargo 132976, 234579
- WAI 669470
- RNL RNLS1385, RNLS1641
Fits Units:
- Valeo D6RA10, D6RA12, D6RA13, D6RA133, D6RA141, D6RA15, D6RA20, D6RA21, D6RA210, D6RA33, D6RA39, D6RA40, D6RA41, D6RA42, D6RA44, D6RA45, D6RA46, D6RA5, D6RA53, D6RA56, D6RA59, D6RA6, D6RA61, D6RA63, D6RA7, D6RA73, D6RA76, D6RA78, D6RA79
- Valeo D7R13, D7R16, D7R18, D7R22, D7R23, D7R25, D7R33, D7R41, D7R42, D7R5, D7R61, D7R7
Another high-quality product by Wood Auto
- * All products come with 12 months warranty unless otherwise stated.
- * Please contact us with any issues so we can provide a solution for you.
