All goods despatched from the UK with fast fully tracked hassle free delivery
Pay only 1 delivery charge per order no matter how many products you order

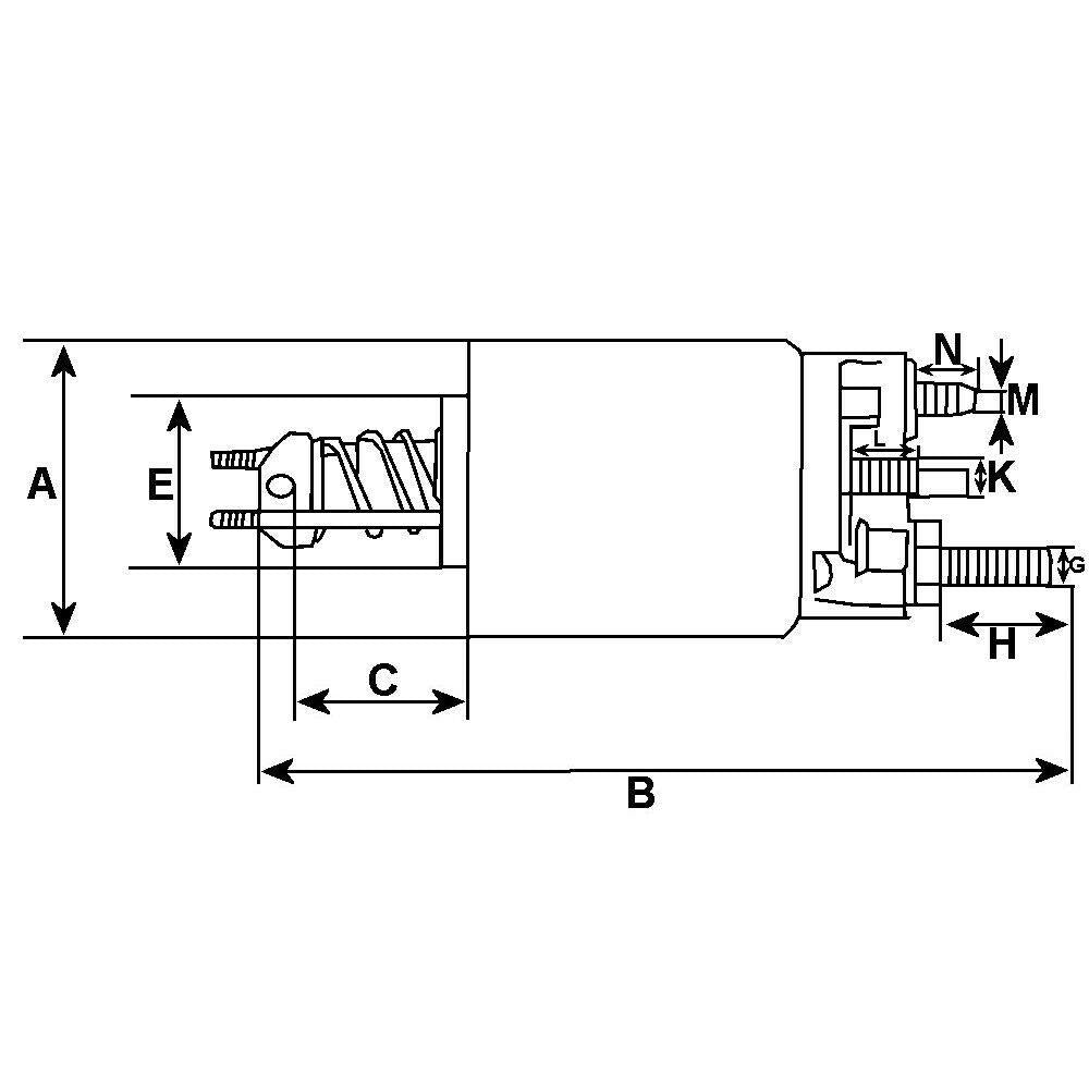
12V STARTER MOTOR SOLENOID FITS VALEO M8 3 TERMINAL 2 HOLE FIXING
SND12611
Electrical specifications
- Voltage 12
Physical specifications
- A OD mm 54.00
- B Total length mm 83.45
Further Information
- M Coil bolt M8
- D OD/cover mm 47.50
- E ID/cover mm 25.20
- G B+ M8
- H Height/B+ 20.40
- K Terminal 50/mm 6.30
- N Coil bolt l. 9.30
- L Terminal 50/Width 14.15
- No./terminals 3
CROSS REFERENCE
- 594288 Valeo
- ZM-4495 Zm
- 234778 Cargo
FITS UNIT
- Valeo D7e1 D7e39
- And Others
- * All products come with 12 months warranty unless otherwise stated.
- * Please contact us with any issues so we can provide a solution for you.
