All goods despatched from the UK with fast fully tracked hassle free delivery
Pay only 1 delivery charge per order no matter how many products you order






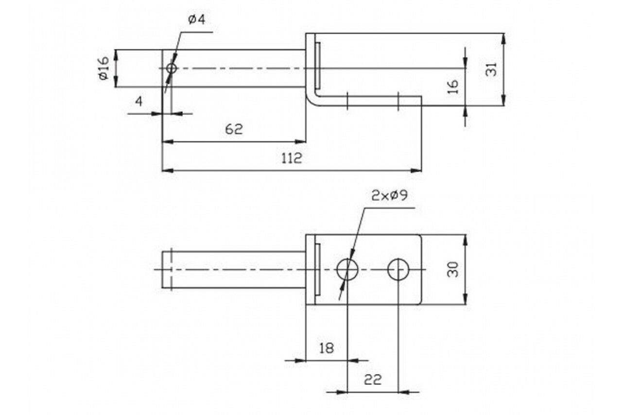
A SET OF 2 ZINC COATED BOLT ON HINGE / GUDGEON PIN SUITABLE FOR TRAILERS GATES FENCES LOCKS16MM DIAMETER
MP8158 x 2
Description
- Zinc plated finish
- R-clip is required to lock hinge onto pin
Drawing dimensions
- A = 112mm
- B = 30mm
- Ø = 16mm
- D = 31mm
ANOTHER QUALITY MAYPOLE PRODUCT (A UK BASED COMPANY)
- * All products come with 12 months warranty unless otherwise stated.
- * Please contact us with any issues so we can provide a solution for you.